SPDT(Surge Protective Device Tester)
varistor 는 최근 부각된 번개로 부터 전력 장비를 보호하는 SPD(Surge Protective Device)의 주요 요소로 사용된다.
그러나 varistor의 수명이 도달할 시, 비록 발전소를 보호할 수 없더라도 시스템은 varistor 가 정상작동 판단하는 결함을 보인다.
SPDT(Surge Protective Device Tester) 는 varistor의 전압을 측정할 수 있는 장치입니다.
SPDT(Surge Protective Device Tester) 는 varistor 의 기능 이상 유무 및 열화 상태를 정확히 판별 할 수 있습니다.
그러나 varistor의 수명이 도달할 시, 비록 발전소를 보호할 수 없더라도 시스템은 varistor 가 정상작동 판단하는 결함을 보인다.
SPDT(Surge Protective Device Tester) 는 varistor의 전압을 측정할 수 있는 장치입니다.
SPDT(Surge Protective Device Tester) 는 varistor 의 기능 이상 유무 및 열화 상태를 정확히 판별 할 수 있습니다.
| 주요기능 | 특징 |
|---|---|
|
|
| 적용분야 | |
|
|
| 제원 | |
|---|---|
| Model | SPDT-TFT |
| Control | Touch Type |
| Display | 7" TFT LCD |
| Target | Varistor, Zener Diode |
| Type | 1P-2W, 3P-3W, 3P-4W |
| Output Voltage Range | 0 ~ 1 kV |
| Total Measurement Time | under 10 sec |
| Measurable Varistor Voltage | 33 ~ 680 V |
| Maximum Clamping Voltage | 10mA |
| Accuracy | ± 5 % |
| Automatic Shutdown | Yes |
| Operating Temperature | -10 ~ 60 ℃ |
| Size | 360 X 270 X 155 [mm] |
| Weight | approx. 4.5 kg |
| Supply Voltage | 14.6 VDC ±10% |
| Power | approx. 60W |
| Battery | Li-Poly 2200 mAh |
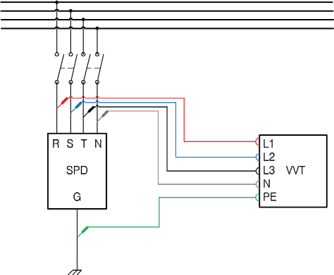
| Connection Diagram of 1P-2W SPD | Connection Diagram of 3P-4W SPD |
|---|---|
![]() |
![]() |
| Varistor? | Varistor Life |
![]() 바리스터는 ‘Variable Resistor'의 줄임말로서 인가되는 전압에 따라 저항값이 변해 비선형적인 전압/전류 특성을 나타내는 소자이다. 바리스터는 많은경우에 보호 대상이 되는 부품과 회로에 병렬로 연결되는데, 과도전압이 발생하는 경우 낮은 저항 회로를 형성해서 과도 전압의 상승을 막는 용도로 사용된다. |
![]() 바리스터는 과도전류에 반복되어 노출되는 경우 소자 내부의 분자 결합이 파괴되어 바리스터..전압이 점차 낮아지게 된다. IEEE C62.33-5.2에 의하면 바리스터 전압이 90% 보다 낮아지는 경우 고장판단의 근거로 한다고 기술되어 있다. |
| VARISTOR VOLTAGE | VARISTOR VOLTAGE/CURRENT CHARACTERISTIC |
![]() 바리스터 전압은 1mA의 전류가 바리스터에 흐를 때 양단에 걸리는 전압으로 이는 과도 전압 입력시 바리스터로 인해 제한되는 전압을 뜻한다. |
![]() 바리스터는 동작전압 이하에서는 소자의 저항이 매우 높아 전류가 거의 흐르지 않는 절연체로 동작한다. 하지만 동작전압 이상에서는 저항이 매우 낮아져 바리스터에 전류가 흐르게 된다. 이와 같이 바리스터의 전압/전류 특성곡선은 비선형적으로 나타난다. |















